Description
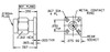
1011-11SF is a 4 Hole Square Flange 2.92mm Male connector manufactured by Southwest Microwave. This 2.92mm Male accepts a 0.012" Pin Diameter and will operate up to 40 GHz. The flange size is .375" All Southwest Microwave 2.92mm connectors are made of Stainless Steel with either Gold Plated Brass or Beryllium Copper center contacts. This connector conforms to MIL-STD-348A and MIL-PRF-39012. Southwest Microwave Cage Code: 66049
Specifications
Item | Specification |
|---|---|
| Impedence | 50 Ohms |
| Frequency Range | DC to 40 GHz |
| VSWR | DC to 18.0 GHz: 1.10:1 MAX |
| RF Leakage | < -100 dB |
| Temperature Range | -55°C to 135°C |
Mechanical Specifications
Item | Specification |
|---|---|
| Housing Material | Steel, CRES Alloy UNS S30300 Per ASTM A582, Passivated Per ASTM A967 |
| Contact Pin | Beryllium Copper (BeCu), UNS C17300 Per ASTM B196, Gold Plated Per MIL-G-45204 or ASTM B488 |
| Center Contact | Rigid Two Bead Capture with Ultem 1000, Per ASTM D5205 and KEL-F Per ASTM D1430 |
| Connector Interface | Per MIL-STD-348, Figs. 323-1 and 323-2 |
| Grounding Ring | Raised Metal Grounding Ring for 360° Metal-to-Metal Contact |
- Connector 1 Mount:
- 4 Hole
- Frequency, Max:
- 40 GHz
- Frequency, Min:
- DC
- Gender:
- Male
- Mount Flange Size:
- .375
- Pin Diameter:
- .012
- Series:
- 2.92mm
- Download[PDF]:
- https://www.hasco-inc.com/content/Southwest/2.92_Connectors/Plug/292-4hole375sq-Plug-genericdetail.pdf
PRODUCT DETAILS 

1011-11SF is a 4 Hole Square Flange 2.92mm Male connector manufactured by Southwest Microwave. This 2.92mm Male accepts a 0.012" Pin Diameter and will operate up to 40 GHz. The flange size is .375" All Southwest Microwave 2.92mm connectors are made of Stainless Steel with either Gold Plated Brass or Beryllium Copper center contacts. This connector conforms to MIL-STD-348A and MIL-PRF-39012. Southwest Microwave Cage Code: 66049
Specifications
Item | Specification |
|---|---|
| Impedence | 50 Ohms |
| Frequency Range | DC to 40 GHz |
| VSWR | DC to 18.0 GHz: 1.10:1 MAX |
| RF Leakage | < -100 dB |
| Temperature Range | -55°C to 135°C |
Mechanical Specifications
Item | Specification |
|---|---|
| Housing Material | Steel, CRES Alloy UNS S30300 Per ASTM A582, Passivated Per ASTM A967 |
| Contact Pin | Beryllium Copper (BeCu), UNS C17300 Per ASTM B196, Gold Plated Per MIL-G-45204 or ASTM B488 |
| Center Contact | Rigid Two Bead Capture with Ultem 1000, Per ASTM D5205 and KEL-F Per ASTM D1430 |
| Connector Interface | Per MIL-STD-348, Figs. 323-1 and 323-2 |
| Grounding Ring | Raised Metal Grounding Ring for 360° Metal-to-Metal Contact |



